
Widely Used Mini Electric Skid Steer Loader Factory
We have a vision to pursue excellence, provide high-quality Tunneling Machine, Excavator For Steel Ladle, Gold Mining Equipment and services to our customers, and become an enterprise that our employees are proud of and the society praises. Through the accumulation of many years of management experience, we have formed the concept of sustainable development in line with our own strategic development needs. Our company has developed an inclusive, open, and practical corporate culture that has become the driving force behind our continuous advancement. We work collaboratively with our clients and partners to identify areas for improvement and optimize operations for maximum efficiency.
Electric Loader
Recycling, loading and transportation
The mucking loader can only be loaded into the recycling and transportation vehicle by using equipment with a sufficient traction capacity.
• The lifting point specified by the manufacturer shall be used.
• During loading and transporting, the mucking loader and the required auxiliary devices shall be fixed to prevent unnecessary movement.
• The slurry, snow cover and ice cube on the running mechanism and the chassis of the mucking loader shall be cleaned so as to avoid the risk of slipping on the loading ramp.
• If a truck, light loader or train is used for transport, then a check block shall be used to fix the mucking loader and fasten it at the binding point.
• Before departure, first check the transport route and confirm whether the road is wide enough, and whether the passage and entrance below the bridge are large enough, and whether roads and bridges have adequate carrying capacity.
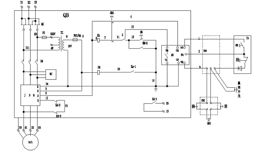
Electrical system drawing

Our company adopts a standardized production process, from production research and development, quality inspection, to after-sales service, there is a complete set of processes to ensure that we can provide our customers with high-quality Widely Used Mini Electric Skid Steer Loader Factory and considerate services. In return for the support of our customers, our company is in line with the business philosophy of moral integrity and integrity to meet the needs of customers and manufacturers with efficient after-sales service, high-quality products and competitive price. We pay attention to protecting the environment while developing the economy.
You Might Also Like
Send Inquiry










